国务院
省政府
市政府
移动版
闽政通APP
你好,
注销
登录
注册
网站支持IPV6
首页
政务公开
解读回应
办事服务
互动交流
知识产权
专题专栏
政府信息公开
机构职能
法规文件
动态信息
通知公告
规划计划
人事信息
统计信息
资金信息
执法监督
双随机抽查公示
行政权力运行
政策解读
举报投诉
民意征集
网上调查
常见问题
数据查询
 
 
搜一下
历史搜索:
热门搜索:
当前位置:
首页
政府网站年度报表
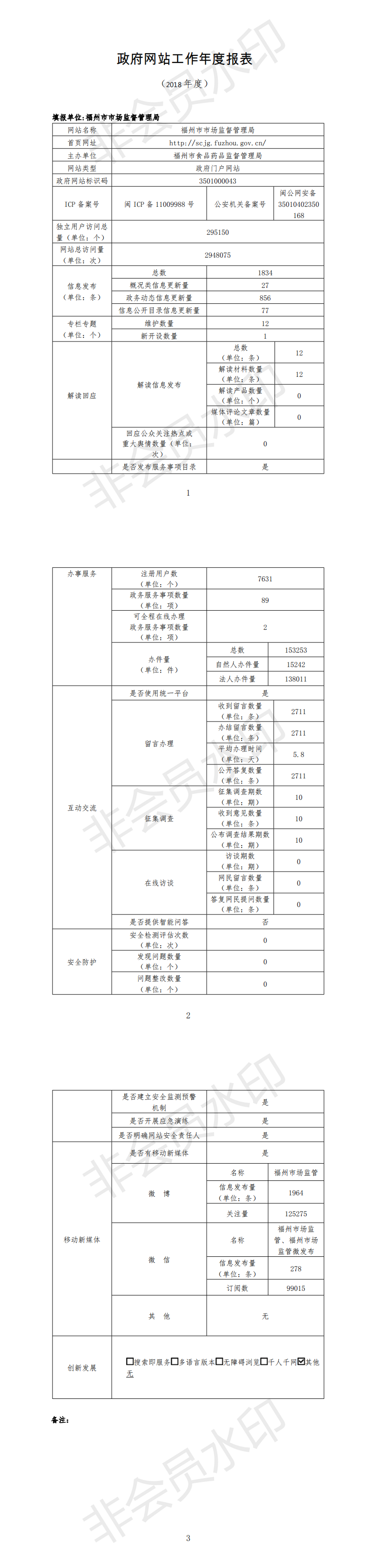
福州市市场监督管理局2018年政府网站工作年度报表
时间:2019-01-09 17:02
微信
微博
QQ空间
、
来源:市场监督管理局
附件下载
扫一扫在手机上查看当前页面
打印
关闭
评论
相关解读